适用于爆炸性气体环境1区、2区;
适用于Ⅰ类爆炸性气体环境;
适用于可燃性粉尘环境20区、21区、22区;
适用于温度组别为T1~T6的环境;
适用于石油采炼、储存、化工、医药、军工及军事设施等爆炸性危险环境;
两种型号产品可选:DGS38/127L(A),DGS45/127L(A)。
选型表
产品特点
灯具采用全金属嵌入式集成封装的LED光源,比气体放电灯节电达60%,防水防尘;
特殊设计的密封结构,防尘、防水、耐腐蚀,外壳防护等级达IP67;
外壳采用强度高、韧性好的铝合金高压压铸成型,表面经高科技静电喷塑处理,有效提高了壳体的散热性能;壳体表面具有
气流分散沟槽,借助空气流动带走热量,散热鳍片密度高,大大提高散热面积,充分保证LED的散热要求,使用寿命更长。
优化的配光设计,采用钢化玻璃透镜,透光好、耐高温、配光均匀,视觉效果舒适;
光源与电源采用一体式结构,灯具安装更方便;
根据安装方式不同,部分灯具出厂时已配电缆,省去配线工作,直接安装使用;
外露紧固件采用高防腐性能不锈钢材质;
本系列灯具属于免维护产品,节能环保。
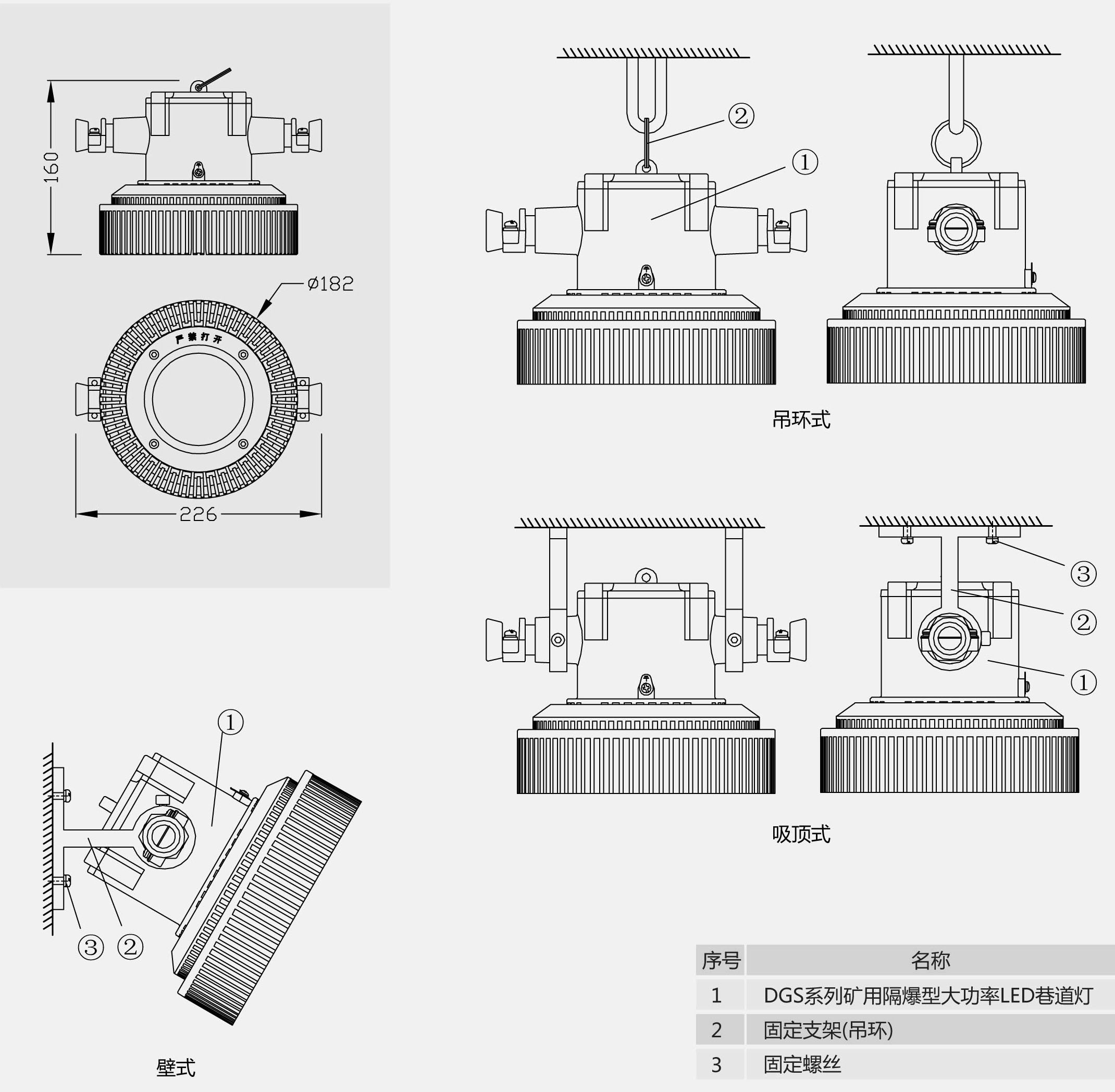
外形及安装尺寸


