电容器主要应用在哪些电路
2013-09-22 浏览量:448次
电容器主要的应用电路包括:
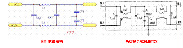
1、 EMI滤波电路
2、 阻容降压电路
3、 整流滤波电路
4、 谐振电路
EMI滤波器主要作用是滤除外界电网的高频脉冲对电源的干扰,同时也起到减少开关电源本身对外界的电磁干扰。

其中安规电容主要应用在EMI滤波电路中,主要的作用正是抑制电源电磁干扰。
整流滤波分为:
整流电路时将工频交流电转为具有直流电成分的脉动直流电。
滤波电路时将脉动直流中的交流成分滤除,减少交流成分,增加直流成分
稳压电路对整流后的直流电压采用负反馈技术进一步稳定直流电压。
常见的整流滤波电路:



(1) 半波整流电路 (2)全波整流电路 (3)桥式整流滤波
然而CBB电容多数应用在整流滤波电路中,桥式滤波电路要求较高多采用特别的产品例如:MPFC,MEFC 系列。
深圳市创硕达电子是一家专业生产薄膜电容的厂家,我们的主要产品有安规电容,CBB电容,陶瓷电容等。欢迎广大客户选购!
最新评论
用户名: 密码: